恒流安全閥
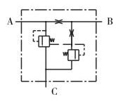
一、QY25D-1271-2系列恒流安全閥圖形符號:

二、QY25D-1271-2系列恒流安全閥技術參數:
1、額定壓力:21MPa;
2、適用介質:液壓油。
三、QY25D-1271-2系列恒流安全閥外形尺寸:
四、訂貨須知:
1、安全閥產品:如有指定型號標準,請直播銷售熱線咨詢價格,了解詳情!
2、安全閥技術支持:如沒有指定產品型號規格,請把工況要求、設計圖紙、技術規范,發送傳真或郵件至本公司。
3、安全閥產品訂貨如需參數:通徑(DN),公稱壓力(Mpa),溫度(℃),連接方式(螺紋、法蘭、對夾等)。
4、安全閥產品驅動方式:手動、蝸輪、氣動、電動等。
5、安全閥產品標準:國標GB、日標JIS、美標ANSI、德標DIN等。
6、安全閥報價確認:本公司提供報價清單及技術標準說明至客戶確認,在雙方技術各方面確認后再擬定合同。
7、安全閥質量要求、質量標準、供方對質量負責的條件:按******有關質量標準。
五、本公司產品承諾:
中偉測控一貫奉行誠信為企業的靈魂。本著提供高品質產品,竭誠為用戶服務的宗旨的經營原則,公司以滿足顧客需要為宗旨,愿意通過自己的努力共同促進雙方的合作,為顧客提供優質的產品和優良的服務,中偉實行公開服務承諾。
1. 中偉測控所提供的產品從供貨之日起,在正常使用情況下,質保期為12-24個月,在質保期內,一律實行:保質、保量、包修、包換等。同時還提供終身免費質詢服務。
2.用戶在運輸、裝卸、儲存、擅自拆卸產品或養護不當、自然災害等原因造成產品損壞、使用不當或在保修期外,本公司對產品實行終身技術服務,只收取配件的成本費。
3.用戶如發現產品質量問題或服務抱怨,中偉收到用戶函電后,根據路程的遠近距離,本市城區2小時到達現場,外區域遇重大問題保證在24小時趕到現場并及時給予答復解決,確保用戶達到滿意。
4.公司承諾質保期滿后以***合理優惠價格快速地提供保養服務,并應買方要求派技術人員赴買方現場進行技術服務。
5.公司貨源充足,品種齊全,配件豐富,應急預案和措施嚴密,可以及時解決用戶臨時性的緊急需求。
6.產品使用過程中,用戶對產品質量、使用性能、改進意見或其他建設性建議等方面的反饋,坤儀會積極采納并改進,以便進一步提高產品質量,更好地回報用戶。

