彈簧全啟封閉式安全閥
一、產品概述:
A42Y-C系列彈簧全啟封閉式安全閥(碳鋼安全閥)適用于工作溫度≤300℃空氣、石油氣、液體等介質的設備和管路上。A42Y-P型及A42Y-R型(不銹鋼安全閥)適用于工作溫度≤200℃有腐蝕性的介質的設備和管路上,作為超壓保護裝置。連接法蘭標準按JB/T……-94系列1?!?.4MPa按JB/T……-94系列2。
二、產品用途:
A42Y-C系列彈簧全啟封閉式安全閥采用全封閉閥蓋和閥帽結構,安全閥開啟排放時,介質不會向外界泄漏,而全部通過排泄管排掉,又可防止灰塵等雜質進入閥內,適用于溫度不高于300度的氣體和需要大排量的液體介質。
三、彈簧全啟封閉式安全閥產品特點:
1、全啟式結構,排量大;
2、閥瓣處設有反沖盤部件;
3、平面結構的閥瓣和閥座易于維修和重新加工;
4、整定壓力偏差小,可達±3%;
5、選用優質的彈簧鋼,保證彈簧的壽命和穩定性。
四、執行標準:
設計規范:GB/T 12243;
結構長度:GB/T 12221;
法蘭連接:JB/T 79;
試驗與檢驗:GB/T 12242;
產品標識:GB/T 12220;
供貨規范:JB/T 7928。
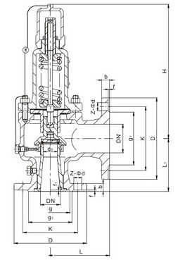
五、彈簧全啟封閉式安全閥(A42Y)剖解圖:
六、彈簧全啟封閉式安全閥(A42Y)主要零部件材料:
NO. | 零件名稱Name of part | A42Y-C/KA42Y-C Materials | A42Y-P/KA42Y-P Materials | A42Y-R Materials | DA42Y-P Materials |
1 | 閥 座 Nozzle | 2Cr13/1Cr18Ni9Ti | ZG1Cr18Ni9Ti | ZG1Cr18Ni12Mo2Ti | ZG1Cr18Ni9Ti |
2 | 閥 體 Body | WCB | ZG1Cr18Ni9Ti | ZG1Cr18Ni12Mo2Ti | LCB/ZG1Cr18Ni9Ti |
3 | 調 節 圈 Adjusting ring | 2Cr13 /1Cr18Ni9Ti | 1Cr18Ni9Ti | 1Cr18Ni12Mo2Ti | 1Cr18Ni9Ti |
4 | Disc holder | 2Cr13 /1Cr18Ni9Ti | 1Cr18Ni9Ti | 1Cr18Ni12Mo2Ti | 1Cr18Ni9Ti |
5 | 閥 瓣 Disc | 2Cr13 /1Cr18Ni9Ti | 1Cr18Ni9Ti | 1Cr18Ni12Mo2Ti | 1Cr18Ni9Ti |
6 | 導 向 套 Guide sleeve | 2Cr13 /1Cr18Ni9Ti | 1Cr18Ni9Ti | 1Cr18Ni12Mo2Ti | 1Cr18Ni9Ti |
7 | 閥 蓋 Bonnet | ZG230-450 | ZG230-450 | ZG230-450 | ZG1Cr18Ni9Ti |
8 | 彈 簧 Spring | 50CrVA | 50CrVA Coated Teflon | 50CrVA Coated Teflon | 50CrVA |
9 | 閥 桿 Stem | 2Cr13 | 1Cr18Ni9Ti/1Cr18Ni12Mo2Ti | 1Cr18Ni9Ti/1Cr18Ni12Mo2Ti | 1Cr18Ni9Ti |
10 | Adjusting bolt | 45 | 2Cr13 | 2Cr13 | 2Cr13 |
11 | Cap | ZG200-400 | ZG200-400 | ZG200-400 | ZG230-450 |
七、彈簧全啟封閉式安全閥(A42Y)外形尺寸和連接尺寸:

型號 | 公稱通徑 | do | d | M | K | D | Z-?d | b | d1 | M1 | K1 | D1 | Z1-?d1 | b1 | L | L1 | ≈H |
A42Y-160 | 15 | 8 | 20 | M34×2 | 60 | 95 | 3-18 | 20 | 29 | M42×2 | 80 | 115 | 4-18 | 22 | 95 | 100 | 220 |
20 | 8 | 27 | M33×2 | 68 | 105 | 3-18 | 20 | 29 | M42×2 | 80 | 115 | ,4-18 | 22 | 95 | 100 | 220 | |
25 | 14 | 28 | M33×2 | 68 | 105 | 3-18 | 20 | 50 | M64×3 | 115 | 165 | 6-26 | 32 | 150 | 150 | 280 | |
32 | 15 | 37 | M42×2 | 80 | 115 | 4-18 | 22 | 50 | M64×3 | 115 | 165 | 6-26 | 32 | 150 | 150 | 390 | |
40 | 20 | 47 | M52×2 | 115 | 165 | 6-26 | 28 | 65 | M80×3 | 145 | 200 | 6-29 | 40 | 180 | 180 | 495 | |
50 | 25 | 59 | M64×3 | 115 | 165 | 6-26 | 32 | 80 | M100×3 | 170 | 225 | 6-33 | 50 | 165 | 165 | 400 | |
A42Y-320 | 15 | 8 | 27 | M33×2 | 68 | 105 | 3-18 | 20 | 29 | M42×2 | 80 | 115 | 4-18 | 22 | 95 | 100 | 220 |
20 | 8 | 30 | M33×2 | 75 | 110 | 3-18 | 22 | 29 | M42×2 | 80 | 115 | 4-18 | 22 | 95 | 100 | 220 | |
25 | 14 | 35 | M42×2 | 80 | 115 | 4-18 | 22 | 50 | M64×3 | 115 | 165 | 6-26 | 32 | 150 | 150 | 280 | |
32 | 15 | 41 | M48×2 | 95 | 135 | 4-22 | 25 | 50 | M64×3 | 115 | 165 | 6-26 | 32 | 150 | 150 | 390 | |
40 | 20 | 58 | M64×3 | 115 | 165 | 6-26 | 32 | 65 | M80×3 | 145 | 200 | 6-29 | 40 | 180 | 180 | 495 | |
50 | 25 | 70 | M80×3 | 145 | 200<, span=""> | 6-29 | 40 | 80 | M100×3 | 170 | 225 | 6-33 | 50 | 165 | 165 | 400 | |
A42Y-400 | 32 | 15 | 41 | M48×2 | 95 | 135 | 4-22 | 25 | 50 | M64×3 | 115 | 165 | 6-26 | 32 | 150 | 150 | 397 |
八、訂貨須知: 如果你對:A42Y-彈簧全啟封閉式安全閥感興趣請你按下列要求咨詢或訂貨。
1、①安全閥產品名稱與型號②安全閥口徑③安全閥是否帶附件以便我們的為您正確選型④安全閥的使用壓力⑤安全閥的使用介質和溫度
2、若已經由設計單位選定中偉公司的安全閥型號,請按型號直接向我司銷售部訂購。
3、當使用的場合非常重要或環境比較復雜時,請您盡量提供設計圖紙和詳細參數,由我們的中偉公司工程師為您審核把關。

